| Мощность |
3 кВт |
| Частота вращения |
3000об/мин. |
| Ток статора |
11.16/6.46А |
| КПД |
82% |
| Коэф. мощности |
0.86 |
| Mmax/Mн |
2.3 |
| Мп/Мн |
2.2 |
| п/Iн |
7 |
| Класс защиты |
IP55 |
| Климатическое исполнение |
У2 |
| Вес |
14 кг |
| Мощность |
3 кВт |
| Частота вращения |
3000об/мин. |
| Ток статора |
11.16/6.46А |
| КПД |
82% |
| Коэф. мощности |
0.86 |
| Mmax/Mн |
2.3 |
| Мп/Мн |
2.2 |
| п/Iн |
7 |
| Класс защиты |
IP55 |
| Климатическое исполнение |
У2 |
| Вес |
14 кг |
ОБЩЕПРОМЫШЛЕННЫЕ ЭЛЕКТРОДВИГАТЕЛИ
Двигатели асинхронные АИC закрытого исполнения эксплуатируются в помещениях с температурой от -40°С до +40°С
Двигатели асинхронные закрытого исполнения производятся по ГОСТ IEC 60034-1-2014 и DIN EN 50347:2003.
Режим работы S1 по ГОСТ IEC 60034-1-2014.
Монтажное исполнение по ГОСТ Р МЭК 60034-7-2012.
Степень защиты двигателей IP54, IP55 по ГОСТ IEC 60034-5-2011.
Способ охлаждения IC411 по ГОСТ Р МЭК 60034-6-2012.
Класс вибрации двигателей по ГОСТ IEC 60034-14-2014.
Уровень звука двигателей в режиме холостого хода соответствует ГОСТ IEC 60034-9-2014.
Система изоляции двигателей класса нагревостойкости «F» по ГОСТ IEC 60034-18-21-2014.
Основные технические данные и характеристики двигателя приведены в табличке, прикрепленной к корпусу двигателя.
ОСНОВНЫЕ ПРЕИМУЩЕСТВА ДВИГАТЕЛЕЙ СЕРИИ АИС DIN
Повышенная степень защиты IP 55;
Закрытое обдуваемое исполнение;
Резьбовое отверстие в торце вала;
Класс нагревостойкости F.
ПРИМЕНЕНИЕ
Электродвигатели АИC применяются для привода механизмов, которые не предъявляют особых жестких требований к пуску, скольжению и энергетическим показателям. Например, нашли свое применение в деревообрабатывающей промышленности, в станкостроении, в сельском хозяйстве и многих других отраслях экономики, используются в системах промышленной вентиляции, в строительной технике, при агрегатировании насосного оборудования и т.д.
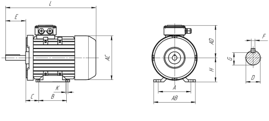
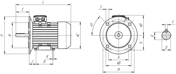
ГАБАРИТНО-ПРИСОЕДИНИТЕЛЬНЫЕ РАЗМЕРЫ
| L | AD | E | B | C | D | K | F | AB | A | G | H | AC | |
| 340 | 155 | 50 | 125 | 56 | 24 | 10 | 8 | 180 | 140 | 20 | 90 | 195 |
| L | AD | P | E | B | C | D | K | M | S | N | F | AB | A | G | H | AC | |
| 340 | 155 | 200 | 50 | 125 | 56 | 24 | 10 | 165 | 12 | 130 | 8 | 180 | 140 | 20 | 90 | 195 |