| Мощность |
1.1 кВт |
| Частота вращения |
3000об/мин. |
| Ток статора |
4.46/2.58А |
| КПД |
77% |
| Коэф. мощности |
0.84 |
| Mmax/Mн |
2.3 |
| Мп/Мн |
2.2 |
| п/Iн |
7 |
| Класс защиты |
IP55 |
| Климатическое исполнение |
У2 |
| Вес |
11 кг |
| Мощность |
1.1 кВт |
| Частота вращения |
3000об/мин. |
| Ток статора |
4.46/2.58А |
| КПД |
77% |
| Коэф. мощности |
0.84 |
| Mmax/Mн |
2.3 |
| Мп/Мн |
2.2 |
| п/Iн |
7 |
| Класс защиты |
IP55 |
| Климатическое исполнение |
У2 |
| Вес |
11 кг |
ОБЩЕПРОМЫШЛЕННЫЕ ЭЛЕКТРОДВИГАТЕЛИ
Двигатели асинхронные АИC закрытого исполнения эксплуатируются в помещениях с температурой от -40°С до +40°С
Двигатели асинхронные закрытого исполнения производятся по ГОСТ IEC 60034-1-2014 и DIN EN 50347:2003.
Режим работы S1 по ГОСТ IEC 60034-1-2014.
Монтажное исполнение по ГОСТ Р МЭК 60034-7-2012.
Степень защиты двигателей IP54, IP55 по ГОСТ IEC 60034-5-2011.
Способ охлаждения IC411 по ГОСТ Р МЭК 60034-6-2012.
Класс вибрации двигателей по ГОСТ IEC 60034-14-2014.
Уровень звука двигателей в режиме холостого хода соответствует ГОСТ IEC 60034-9-2014.
Система изоляции двигателей класса нагревостойкости «F» по ГОСТ IEC 60034-18-21-2014.
Основные технические данные и характеристики двигателя приведены в табличке, прикрепленной к корпусу двигателя.
ОСНОВНЫЕ ПРЕИМУЩЕСТВА ДВИГАТЕЛЕЙ СЕРИИ АИС DIN
Повышенная степень защиты IP 55;
Закрытое обдуваемое исполнение;
Резьбовое отверстие в торце вала;
Класс нагревостойкости F.
ПРИМЕНЕНИЕ
Электродвигатели АИC применяются для привода механизмов, которые не предъявляют особых жестких требований к пуску, скольжению и энергетическим показателям. Например, нашли свое применение в деревообрабатывающей промышленности, в станкостроении, в сельском хозяйстве и многих других отраслях экономики, используются в системах промышленной вентиляции, в строительной технике, при агрегатировании насосного оборудования и т.д.
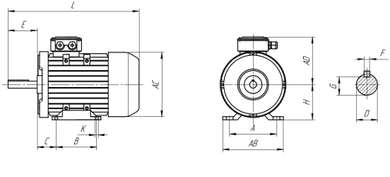
ГАБАРИТНО-ПРИСОЕДИНИТЕЛЬНЫЕ РАЗМЕРЫ
| L | AD | E | B | C | D | K | F | AB | A | G | H | AC | AC | AD | |
| 295 | 145 | 40 | 100 | 50 | 19 | 10 | 6 | 165 | 125 | 15.5 | 80 | 175 | 175 | 145 |